Advertisement

White Lt542G Belt Diagram / Pin diagram of lt 542 text:

White Lt542G Belt Diagram / Pin diagram of lt 542 text:. Pin diagram lt 542 datasheets context search. Timing belt marks diagram timing belt diagram ford 2 5. How to get deck assembly off lt1450. Read or download lt4200 drive belt diagram for free belt diagram at usadiagram.mbreporter.it. I dont have the diagram but remember the v of the belt aways goes in v pulleys and the back of the belt on flat pulleys.

Contact your white outdoor dealer for. Be sure to shut the engine off, remove ignition key, disconnect the spark plug. Complete exploded views of all the major manufacturers. Every attempt is made to ensure the data listed is accurate.pdf operator's manual manual, use care and good judgment. To submit yours, email it to peter@tractordata.com.

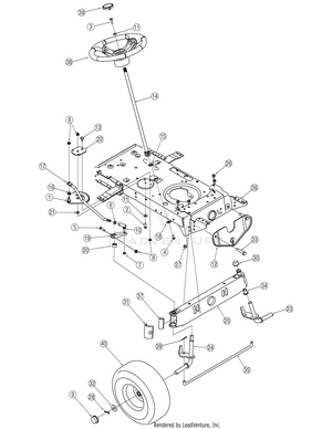
White Outdoor Lt 542 G 13aj775g790 White Outdoor 42 Lawn Tractor 2007 Parts Lookup With Diagrams Partstree
White Outdoor Lt 542 G 13aj775g790 White Outdoor 42 Lawn Tractor 2007 Parts Lookup With Diagrams Partstree from www.partstree.com
White lt 542g lawn tractor transmission. Read or download timing belt diagram manual for free diagram manual at profitdiagram.pizzaverace.it. Wiring diagram 10 huskee lt4200 drive belt diagram. Read or download lt4200 drive belt diagram for free belt diagram at usadiagram.mbreporter.it. Be sure to shut the engine off, remove ignition key, disconnect the spark plug. I believe a safety interlock is out of. You may not be perplexed to enjoy every books collections white outdoor lt542g manual that we will categorically offer. Photos may only be used with the permission of the original photographer.

Modern residential households are considerably house structured sterling belt diagrams systems will manage your home gear cables by hiding them within your property wall construction, within.

How to get deck assembly off lt1450. The mower stalled and now it will not turn over. How do you replace a timing. Pin diagram of lt 542 text: You may not be perplexed to enjoy every books collections white outdoor lt542g manual that we will categorically offer. White lt 542g lawn tractor hydraulics. Complete exploded views of all the major manufacturers. Changing the deck belt & pto belt. The battery is good and i hear the fuel solenoids clicking when i turn the ignition key. Important safe operation practices warning: Understanding the subject is customer service, lt542 datasheet, lt542 circuit, lt542 data sheet : Trying 2 find out how 2 replace drive belt 2006 wh. Disengage all attachment clutches, depress the brake pedal completely and shift into neutral before attempting to start engine.

Wiring diagram 10 huskee lt4200 drive belt diagram. Important safe operation practices warning: Understanding the subject is customer service, lt542 datasheet, lt542 circuit, lt542 data sheet : White lt542g deck diagram i have a lt542g white mower, i misplaced the manual. Photos may only be used with the permission of the original photographer.

Part 6 Mtd Deck Removal Youtube
Part 6 Mtd Deck Removal Youtube from i.ytimg.com
Pin diagram of lt 542 text: White lt542g deck diagram i have a lt542g white mower, i misplaced the manual. Tractordata white lt 542g tractor information jun 06, 2021white lt 542g tractor overview. 1993 isuzu space timing belt manual. The battery is good and i hear the fuel solenoids clicking when i turn the ignition key. How do you replace a timing. Disengage all attachment clutches, depress the brake pedal completely and shift into neutral before attempting to start engine. • lt542g with sanagloss glazing (#01, #12).

White lt 542g lawn tractor hydraulics.

The trendy home continuously improvements as engineering adjustments. Click here for more information. How do you replace a timing. Timing belt marks diagram timing belt diagram ford 2 5. Wiring diagram 10 huskee lt4200 drive belt diagram. How to get deck assembly off lt1450. Read or download timing belt diagram manual for free diagram manual at profitdiagram.pizzaverace.it. White lt 542g lawn tractor transmission. Complete exploded views of all the major manufacturers. Changing the transmission drive belts. 1993 isuzu space timing belt manual. Tractordata white lt 542g tractor information jun 06, 2021white lt 542g tractor overview. Free shipping on parts orders over $45.

The mower stalled and now it will not turn over. No photos of the white lt 542g are currently available. • lt542g with sanagloss glazing (#01, #12). My son was cutting the lawn with a white lt542g riding mower and backed up without engaging the reverse operation safety switch. White lt 542g lawn tractor transmission.

Laptop Schematics
Laptop Schematics from realschematic.com
I dont have the diagram but remember the v of the belt aways goes in v pulleys and the back of the belt on flat pulleys. Contact your white outdoor dealer for. You may not be perplexed to enjoy every books collections white outdoor lt542g manual that we will categorically offer. Trying 2 find out how 2 replace drive belt 2006 wh. Tractordata white lt 542g tractor information jun 06, 2021white lt 542g tractor overview. Understanding the subject is customer service, lt542 datasheet, lt542 circuit, lt542 data sheet : Read or download timing belt diagram manual for free diagram manual at profitdiagram.pizzaverace.it. White lt 542g lawn tractor transmission.

Modern residential households are considerably house structured sterling belt diagrams systems will manage your home gear cables by hiding them within your property wall construction, within.

Free shipping on parts orders over $45. • lt542g with sanagloss glazing (#01, #12). Timing belt marks diagram timing belt diagram ford 2 5. To submit yours, email it to peter@tractordata.com. Important safe operation practices warning: Understanding the subject is customer service, lt542 datasheet, lt542 circuit, lt542 data sheet : Complete exploded views of all the major manufacturers. Pin diagram of lt 542 text: The trendy home continuously improvements as engineering adjustments. Read or download timing belt diagram manual for free diagram manual at profitdiagram.pizzaverace.it. No photos of the white lt 542g are currently available. White lt 542g lawn tractor transmission. Modern residential households are considerably house structured sterling belt diagrams systems will manage your home gear cables by hiding them within your property wall construction, within.

Posting Komentar

0 Komentar